QR kod
Ürünler
Bize Ulaşın


Faks
+86-574-87168065

e-posta

Adres
Luotuo Sanayi Bölgesi, Zhenhai Bölgesi, Ningbo Şehri, Çin
Raydafon'un SWC-DH Kısa Esnek Kaynak Tipi Üniversal Kaplini, haddehaneler, yük asansörleri ve çelik işleme makineleri gibi ağır hizmet dişlilerindeki yanlış hizalanmış milleri bağlamak için üretilmiştir. Bu, 45 mm'den 390 mm'ye kadar değişen dönme çapına sahip, kompakt, kısa esnek bir evrensel kaplindir. Şaftlar 25 dereceye kadar (açısal hizalama) sapmış olsa bile torku verimli bir şekilde hareket ettirir; maksimum 1000 kN·m'ye ulaşır ve bu da ağır ekipmanın güç ihtiyaçlarına tam olarak uygundur.
Bunu yüksek mukavemetli 35CrMo çelikten yapıyoruz ve dört iğneli rulman ekliyoruz, böylece ağır yüklere dayanabiliyor. Bu nedenle endüstriyel makine üniversal kaplinleri için sağlam bir seçimdir ve yüklerin durmadan yüksek kaldığı noktalarda ağır ekipman kaynaklı üniversal kaplinler olarak harika çalışır. Kısa esnek tasarımı, eksenel hareket için çok az alana sahip makineler için de mükemmeldir; zorlu endüstriyel alanlar için sağlam bir şanzıman sabitlemesi sağlar.
Raydafon, ISO 9001 sertifikasına sahip Çin merkezli bir üretici olduğundan, her SWC-DH evrensel kaplin için katı kalite kurallarına bağlı kalıyoruz. Çapraz şaft, korozyona karşı savaşmak için bir krom plakaya sahiptir, böylece koşullar zorlu olduğunda bile dayanır. Kaynaklı boyunduruk kurulumu da kolaylaştırır; şaftları doğru şekilde hizalamanız yeterlidir; en iyi şekilde çalışır. Bunu metalurji, madencilik ve vinç sistemlerindeki ekipmanlarda bulacaksınız, sorun değil.
Ayrıca bu kaplin farklı boyutlarda ve tork değerlerinde mevcuttur. Endüstriyel makineler için (örneğin, biçerdöverler veya diğer özel ekipmanlar için) özel bir evrensel kapline ihtiyacınız varsa, bunu ihtiyaçlarınıza göre uyarlayabiliriz ve fiyat rekabetçi kalır. Bu kısa esnek kaplinin ekipmanın aksama süresini kısaltmasını sağlayacak üretim bilgisine sahibiz, böylece makineleriniz genel olarak daha güvenilir çalışır.
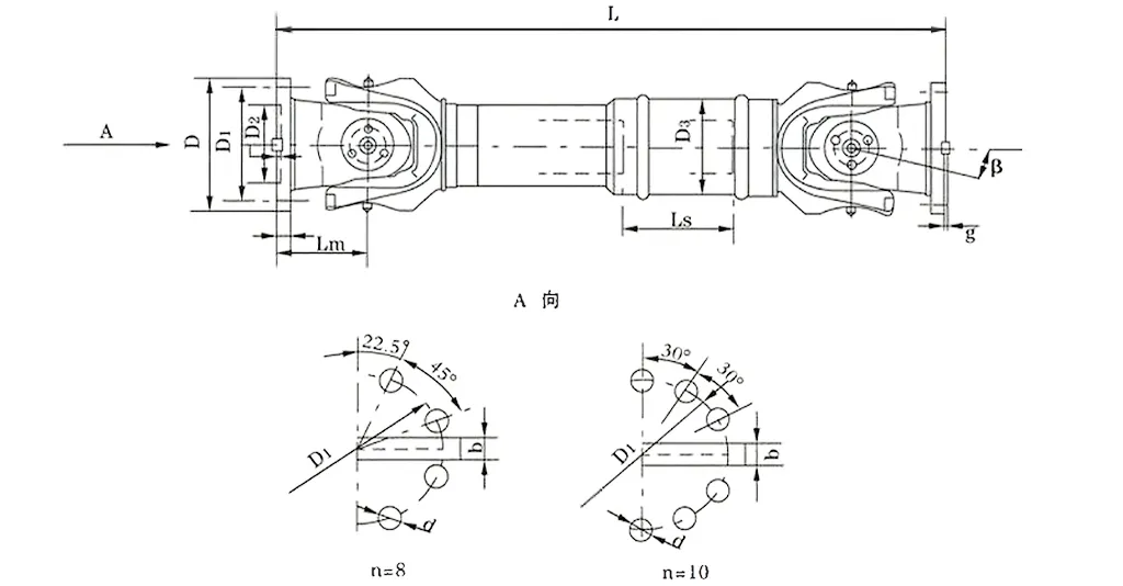
| HAYIR. | Dönme çapı D mm | Nominal tork Tn KN·m | Eksen katlama açısı β (°) | Yorucu tork Tf KN·m | Esnek miktar L mm | Boyut (mm) | Dönen atalet kg.m2 | Ağırlık (kg) | |||||||||||
| L dk. | D1 (js11) | D2 (H7) | D3 | Lm | yok | k | t | b (h9) | g | L dk. | Arttırmak 100 mm | L dk. | Arttırmak 100 mm | ||||||
| SWC180DH1 | 180 | 20 | 10 | ≤25 | 75 | 650 | 155 | 105 | 114 | 110 | 8-17 | 17 | 5 | - | - | 0.165 | 0.0070 | 58 | 2.8 |
| SWC180DH2 | 55 | 600 | 0.162 | 56 | |||||||||||||||
| SWC180DH3 | 40 | 550 | 0.160 | 52 | |||||||||||||||
| SWC225DH1 | 225 | 40 | 20 | ≤15 | 85 | 710 | 196 | 135 | 152 | 120 | 20 | 5 | 32 | 9.0 | 0.415 | 0.0234 | 95 | 4.9 | |
| SWC225DH2 | 70 | 640 | 0.397 | 92 | |||||||||||||||
| SWC250DH1 | 250 | 63 | 31.5 | ≤15 | 100 | 795 | 218 | 150 | 168 | 140 | 8-19 | 25 | 6 | 40 | 12.5 | 0.900 | 0.0277 | 148 | 5.3 |
| SWC250DH2 | 70 | 735 | 0.885 | 136 | |||||||||||||||
| SWC285DH1 | 285 | 90 | 45 | ≤15 | 120 | 950 | 245 | 170 | 194 | 160 | 8-21 | 27 | 7 | 40 | 15.0 | 1.876 | 0.0510 | 229 | 6.3 |
| SWC285DH2 | 80 | 880 | 1.801 | 221 | |||||||||||||||
| SWC315DH1 | 315 | 125 | 63 | ≤15 | 130 | 1070 | 280 | 185 | 219 | 180 | 10-23 | 32 | 8 | 40 | 15.0 | 3.331 | 0.0795 | 346 | 8.0 |
| SWC315DH2 | 90 | 980 | 3.163 | 334 | |||||||||||||||
| SWC350DH1 | 350 | 180 | 90 | ≤15 | 140 | 1170 | 310 | 210 | 267 | 194 | 10-23 | 35 | 8 | 50 | 16.0 | 6.215 | 0..2219 | 508 | 15.0 |
| SWC350DH2 | 90 | 1070 | 5.824 | 485 | |||||||||||||||
| SWC390DH1 | 390 | 250 | 125 | ≤15 | 150 | 1300 | 345 | 235 | 267 | 215 | 10-25 | 40 | 8 | 70 | 18.0 | 11.125 | 0.2219 | 655 | |
| SWC390DH2 | 90 | 1200 | 10.763 | 600 | |||||||||||||||
* 1. Tf-alternatif yük altında yorulma mukavemetine göre izin verilen tork. * 2. Lmin-kesimden sonraki en küçük uzunluk. * 3. İhtiyaca göre L-kurulum uzunluğu
Çoğunlukla SWC Kardan Mili Üniversal Mafsal Kaplini olarak adlandırılan SWC Üniversal Mafsal Kaplini, ağır hizmet tipi endüstriyel senaryolarda önemli bir bileşendir. Haddehaneler, kaldırma makineleri ve çeşitli büyük ölçekli ağır makine sistemlerinin vazgeçilmezidir. Yüksek torklu bir üniversal mafsal kaplini olarak, iki transmisyon milini çakışmayan eksenlerle etkili bir şekilde bağlayabilir ve karmaşık ve zorlu çalışma koşullarında bile kesintisiz güç iletimi sağlar.
Bu kaplinin temel teknik parametreleri aşağıdaki gibidir:
Dönme Çapı: φ58 - φ620
Nominal Tork: 0,15 - 1000 kN·m
Eksen Katlama Açısı: ≤25°
Pratik uygulamalarda son derece iyi performans gösterir. Örneğin, haddehane operasyonları sırasında, haddehanelere özel, güvenilir, ağır hizmet tipi bir üniversal mafsal kaplinine ihtiyaç duyulduğunda veya kaldırma ve malzeme taşıma ekipmanlarında, dayanıklı bir SWC üniversal mafsal kaplinine ihtiyaç duyulduğunda, bu ürün tam yetkinliğe sahiptir. Ağır yükler altında bile ekipmanın çalışma stabilitesini istikrarlı bir şekilde koruyabilir.
SWC üniversal mafsal kaplini, ileri mühendislik prensipleri kullanılarak tasarlanmış olup endüstriyel ortamlarda olağanüstü performans ve daha uzun hizmet ömrü sunar. Başlıca yapısal özellikleri aşağıdaki gibidir:
Makul ve Güvenli Yapı: Entegre çatal başlığı tasarımına sahip bu endüstriyel üniversal mafsal kaplini, cıvatanın gevşemesi veya kırılması riskini azaltarak yapısal mukavemeti %30-%50 oranında artırır. Bu tasarım, güvenli ve güvenilir çalışmayı sağlar, geleneksel modellere kıyasla servis ömrünü uzatır ve ağır makine üniversal mafsal kaplin sistemleri gibi yüksek basınç senaryolarında yaygın arızaları önler.
Geliştirilmiş Yük Taşıma Kapasitesi: SWC ağır hizmet üniversal mafsal kaplini, ağır yükleri taşımak için özel olarak tasarlanmıştır; bu da onu madencilik veya inşaat makineleri gibi mükemmel yük yönetimi gerektiren senaryolarda vazgeçilmez kılar.
Yüksek İletim Verimliliği: %98,6'ya varan verimlilikle, yüksek güç aktarımına yönelik bu verimli üniversal mafsal kaplini, enerji tüketimini ve ilgili maliyetleri önemli ölçüde azaltır, bu da onu yüksek güçlü endüstriyel iletim sistemlerinde enerji tasarruflu üniversal mafsal kaplin çözümleri için ilk tercih haline getirir.
Düşük Gürültüyle Kararlı Çalışma: Bu düşük gürültülü üniversal mafsal kaplini, tipik olarak 30-40 dB(A) arasındaki gürültü seviyelerinde istikrarlı bir şekilde çalışarak sessiz performans sağlar. Yüksek güvenilirliği korurken gürültüye duyarlı ortamlar için idealdir.
Üniversal mafsallı kaplinler, özellikle de SWC kardan mili üniversal mafsallı kaplin, üstün avantajlarından dolayı endüstriyel uygulamalarda vazgeçilmez transmisyon bileşenleri haline gelmiştir. Ağır makine, hassas imalat, enerji iletimi gibi alanlardaki performanslarıyla temel ihtiyaçları karşılayabilmektedir. Aşağıda bunların temel avantajlarının ayrıntılı bir analizi bulunmaktadır:
1. Güçlü Tork İletimi ve Mükemmel Hizasızlık Telafisi
Yüksek torklu üniversal mafsallı kaplin olarak, yüksek güçlü yükleri istikrarlı bir şekilde iletebilir. Haddehane operasyonları sırasında mil yanlış hizalamasının sık sık meydana geldiği senaryolarda bile (örneğin, silindir aşınmasının neden olduğu eksenel kaçıklık ve çelik haddeleme sırasındaki sıcaklık değişiklikleri gibi), haddehane operasyonlarına yönelik bu güvenilir, ağır hizmet tipi üniversal mafsal kaplin, bu durumun kolaylıkla üstesinden gelebilir. Açısal, eksenel ve radyal sapmaları aynı anda 25 dereceye kadar maksimum açısal sapma ile telafi edebilir. Bu mükemmel hizalama uyarlanabilirliği, şaft yanlış hizalamasından kaynaklanan şanzıman sıkışmalarını önler, sürekli ve istikrarlı güç dağıtımı sağlar, aşırı çalışma koşulları altında mekanik arıza olasılığını önemli ölçüde azaltır ve üretim hatlarının sürekli çalışmasını garanti eder.
2. Yüksek Dayanıklılık ve Daha Uzun Hizmet Ömrü
SWC üniversal mafsallı kaplinlerin tasarımı ve malzeme seçimi, "ağır yüklere dayanma ve zorlu ortamlara dayanma" üzerine odaklanmıştır. Ana gövde, cıvata gevşemesi ve bileşen kırılması gibi yaygın arıza noktalarını temelden azaltan entegre çatal başlığı yapısıyla birleştirilmiş yüksek mukavemetli alaşımlı çelikten yapılmıştır. Kaldırma ve malzeme taşıma ekipmanlarında kullanılan dayanıklı SWC üniversal mafsallı mil kaplinini örnek alırsak, ağır nesneleri kaldırırken anlık darbe yüküne dayanabilir ve toz ve yüksek sıcaklıklar gibi zorlu ortamlarda istikrarlı performansı koruyabilir. Geleneksel bölünmüş yapı kaplinleri ile karşılaştırıldığında, bu endüstriyel üniversal mafsal kaplini %30-%50 oranında arttırılmış bir genel mukavemete sahiptir, bu sadece günlük bakım sıklığını azaltmakla kalmaz, aynı zamanda servis ömrünü 2-3 yıl uzatır. Ağır makine üniversal mafsal kaplin sistemlerinin uzun süreli yüksek yüklü çalışma ihtiyaçları için özellikle uygundur.
3. Yüksek İletim Verimliliği ve Önemli Enerji Tasarrufu Etkisi
Testler, SWC ağır hizmet üniversal mafsal kaplinin iletim verimliliğinin %98,6 kadar yüksek olduğunu göstermiştir; bu, çelik fabrikalarındaki yüksek fırın fanları ve enerji santrallerindeki kömür taşıma sistemleri gibi yüksek güçlü endüstriyel iletim senaryolarında bariz avantajlara sahiptir. Sürekli yüksek güç aktarımı gerektiren ekipmanlar için, büyük güç aktarımına yönelik bu verimli üniversal mafsal kaplini ile eşleştirme, güç kaybını en aza indirebilir. Enerji tasarrufu sağlayan üniversal mafsal bağlantı çözümleri arayan işletmeler için bu yüksek verimlilik, doğrudan maliyet avantajlarına dönüştürülebilir: Örnek olarak 1500 kW'lık bir endüstriyel motor ele alındığında, elektrik maliyetlerinde yılda 12.000 yuan'den fazla tasarruf sağlanabilir ve işletmelerin, endüstriyel alandaki enerji tasarrufu ve tüketimi azaltma eğilimlerine uyum sağlarken, uzun vadeli kullanımda işletme maliyetlerini önemli ölçüde azaltmalarına yardımcı olabilir.
4. Çoklu Senaryolara Uygun Kararlı ve Sessiz Çalışma
Rulman uyum doğruluğunu optimize ederek ve düşük sürtünme katsayılı yağlama gresi kullanarak, bu düşük gürültülü üniversal mafsal kaplininin çalışma gürültüsü, günlük bir ofisin ortam gürültü seviyesine eşdeğer olan ve endüstriyel tesislerin gürültü emisyon standartlarına tamamen uygun olan 30-40 dB(A) düzeyinde sıkı bir şekilde kontrol edilir. Gıda işleme tesislerindeki üretim hatları ve hassas elektronik bileşenlere yönelik taşıma ekipmanları gibi gürültüye duyarlı senaryolarda, yalnızca iletim sisteminin stabilitesini ve güvenilirliğini sağlamakla kalmaz, aynı zamanda atölye ortamının veya çalışanların gürültü nedeniyle çalışma deneyiminin etkilenmesini de önler. Aynı zamanda, istikrarlı iletim özellikleri, ekipman titreşiminden kaynaklanan çevredeki bileşenlerin aşınmasını da azaltabilir, böylece tüm üretim sisteminin çalışma stabilitesini ve hizmet ömrünü daha da artırabilir.
Genellikle SWC kardan mili üniversal mafsal kaplini olarak anılan SWC-DH Kısa Esnek Kaynak Tipi Üniversal Kaplin, esas olarak haddehaneler ve vinçler gibi ağır makine senaryolarında kullanılır. Bu tür ekipmanların yapısal kompaktlık ve esneklik açısından son derece yüksek gereksinimleri vardır; yalnızca bu iki noktanın karşılanmasıyla verimli çalışma sağlanabilir ve bu bağlantı bu ihtiyaçları mükemmel şekilde karşılar. Yüksek torklu bir üniversal mafsal kaplini olarak, iki transmisyon milini çakışmayan eksenlerle etkili bir şekilde bağlayabilir ve şaft sistemi yanlış hizalaması için hassas dengeleme gerektiren zorlu endüstriyel ortamlarda bile kesintisiz güç iletimi sağlar.
Pratik uygulamalarda, ister haddehane çalışmaları sırasında haddehane operasyonları için güvenilir bir ağır hizmet üniversal mafsal kaplini gereksin, ister kaldırma ve malzeme taşıma ekipmanlarında dayanıklı bir SWC üniversal mafsal kaplini gerekli olsun, bu ürün mükemmel performans gösterebilir; aşırı yükler altında bile ekipmanın stabil çalışmasını koruyabilir. Uyarlanabilirlik avantajı, özellikle alanın sınırlı olduğu ve kısa esnek yapı tasarımının gerekli olduğu kompakt ekipman yerleşimlerinde belirgindir.
Bu SWC-DH endüstriyel üniversal mafsal kaplini, ileri mühendislik teknolojisiyle üretilmiştir ve özellikle endüstriyel senaryolara yönelik performans ve hizmet ömrü için optimize edilmiştir. Temel yapısal özelliği makul ve güvenli tasarımında yatmaktadır: entegre çatal başlığı yapısı, cıvata gevşemesi veya kırılmasından kaynaklanan gizli tehlikeleri temelden ortadan kaldırarak genel gücü %30-%50 oranında artırır. Bu tasarım, yalnızca operasyonun güvenliğini ve güvenilirliğini sağlamakla kalmaz, aynı zamanda geleneksel modellere kıyasla hizmet ömrünü uzatırken, ağır makine üniversal mafsal kaplin sistemleri gibi yüksek stresli uygulama senaryolarında yaygın arıza sorunlarını da önler.
Buna ek olarak, yük taşıma kapasitesi, daha büyük ağırlıklara dayanacak şekilde tasarım yoluyla artırılmıştır; bu nedenle, bu SWC ağır hizmet üniversal mafsal kaplini, madencilik makineleri ve inşaat ekipmanları gibi yük taşıma kapasitesi konusunda katı gereksinimleri olan senaryolar için çok uygundur. İletim verimliliği açısından %98,6'ya kadar ulaşmaktadır. Büyük güç iletimi için verimli bir üniversal mafsal kaplini olarak, enerji tüketimini ve elektrik maliyetlerini önemli ölçüde azaltabilir, bu da onu yüksek güçlü endüstriyel iletim alanında enerji tasarruflu üniversal mafsal kaplin çözümleri için tercih edilen bir ürün haline getirir.
Son olarak, bu kaplin, çalışma gürültüsünün genellikle 30-40 dB(A) seviyesinde kontrol edildiği, stabil bir aktarım özelliğine sahiptir ve bu da onu düşük gürültülü bir üniversal mafsal kaplini haline getirir. Bu özellik, her zaman yüksek güvenilirliği korurken, gürültüye duyarlı endüstriyel senaryolarda bile sessiz çalışmasına olanak tanır.
⭐⭐⭐⭐⭐ Wang Lei, Proje Mühendisi, Guangdong Heavy Machinery Co., Ltd.
Ağır makinelerimizde Raydafon'un SWC-DH Kısa Esnek Kaynak Tipi Üniversal Kaplinini bir süredir kullanıyoruz ve bu hoş bir sürpriz oldu; özellikle de dar noktalara montaj söz konusu olduğunda. Ekipmanımızın şanzıman parçaları için oldukça sınırlı alanı vardır, ancak bu kaplinin kompakt tasarımı bir eldiven gibi uyum sağlar; sırf çalışması için diğer bileşenlerin yeniden düzenlenmesine gerek yoktur.
Daha da iyisi, boyut uğruna performanstan ödün vermemesidir. Ağır hizmet operasyonlarımız için kritik öneme sahip olan güçlü ve istikrarlı tork iletimini hâlâ sağlar. Haftalardır sürekli çalıştırıyoruz ve sıfır anormal titreşim oluştu; tüm sistem düzgün kalır. Kaynak kalitesi de öne çıkan bir diğer özellik; sadece bakarak sağlam olduğunu anlayabilirsiniz, bu da bize uzun süreli ağır kullanıma dayanacağı konusunda tam bir güven verir. Yerden tasarruf sağlayan tasarım ile güvenilirliği dengeleyen bir kaplin için bu kazanandır.
⭐⭐⭐⭐⭐ Zhao Ming, Tedarik Müdürü, Tianjin Steel Equipment Co., Ltd.
Yakın zamanda Raydafon'dan birkaç SWC-DH kaplin siparişi verdik ve şunu söylemeliyim ki, tüm tedarik süreci çok kolay oldu; ne baş ağrısı ne de gecikme oldu. Siparişi gönderdiğimiz andan itibaren ekipleri hızlı bir şekilde yanıt verdi ve teslimat tam planlanan tarihte gerçekleşti; bu da üretimimizi yolunda tutmak için büyük bir artı. Paketleme de birinci sınıftı: Her bağlantı güvenli bir şekilde sarılmıştı, nakliye sırasında herhangi bir ezik veya hasar yoktu; kutudan çıkarılıp kurulmaya hazırdı.
Teknik ekibimiz kurulumu gerçekleştirdi ve montajın ne kadar kolay olduğunu hemen belirttiler. Karmaşık adımlar yok, özel alet aramanıza gerek yok; hızlı bir şekilde takıldı ve o zamandan beri güvenilir bir şekilde çalışıyor. Bu tutarlı performansla birlikte makul fiyatı da hesaba kattığınızda, bu kaplinin büyük bir değer sunduğu açıktır. Zaten onu düzenli satın alma listemizde tutmayı planlıyoruz; Bir alıcı olarak işimi kolaylaştıran türden bir ürün.
⭐⭐⭐⭐⭐ Liu Hong, Bakım Direktörü, Shandong Endüstriyel Grubu
Ekipman bakımını denetleyen biri olarak en büyük önceliğim arıza süresini kısaltmak ve ekibimin parça bakımına harcadığı zamanı azaltmaktır. Raydafon'un SWC-DH bağlantısı her iki kutuyu da mükemmel şekilde kontrol eder. Bunu günlük olarak ağır iş yükleri altında çalışan ekipmanlarda kullanıyoruz ve asla kaymıyor veya kaymıyor; sıkı bir şekilde yerinde kalıyor, gevşek bağlantılar yok. Aylarca kullanıldıktan sonra bile neredeyse hiç aşınma belirtisi görülmez; bu, daha önce kullandığımız diğer kaplinlerle büyük bir tezat oluşturuyor.
Bu eski kaplinlerde her zaman hızlı onarımlar veya parça değiştirme planları yapıyorduk, bu da üretim süresini kısaltıyor ve maliyetleri artırıyordu. Bu? Ona neredeyse hiç dokunmuyoruz; sık bakım yok, beklenmedik arızalar yok. Bakım konusunda bize çok fazla zaman ve para tasarrufu sağladı ve işini güvenilir bir şekilde yapmaya devam ediyor. Bugünlerde günlük operasyonlarımızda vazgeçilmez bir bileşen haline geldi; Başarısız olacağı konusunda endişelenmeme gerek yok, bu da diğer önceliklere odaklanmamı sağlıyor. Tam olarak her bakım ekibinin ihtiyaç duyduğu türden güvenilir bir parçadır.
Adres
Luotuo Sanayi Bölgesi, Zhenhai Bölgesi, Ningbo Şehri, Çin
tel
e-posta


+86-574-87168065


Luotuo Sanayi Bölgesi, Zhenhai Bölgesi, Ningbo Şehri, Çin
Telif Hakkı © Raydafon Teknoloji Grubu A.Ş., Sınırlı Tüm Hakları Saklıdır.
Links | Sitemap | RSS | XML | Gizlilik Politikası |
