QR kod
Ürünler
Bize Ulaşın


Faks
+86-574-87168065

e-posta

Adres
Luotuo Sanayi Bölgesi, Zhenhai Bölgesi, Ningbo Şehri, Çin
Raydafon'un SWC-WD Kısa Esnek Flanşsız Tip Üniversal Kaplini, ağır makinelerde (çelik haddehanelerini, vinçleri, kaldırma ekipmanlarını ve tüm bu ağır hizmet dişlilerini düşünün) torku verimli bir şekilde hareket ettirmek için üretilmiştir. Dönme çapları 180 mm'den 1320 mm'ye kadar değişen, kompakt, teleskopik olmayan bir flanş tasarımına sahiptir. Bu kısa flanşlı üniversal kaplin, 15 dereceye kadar açısal kaçıklıkları ve 16000 kN·m'ye kadar yüksek torku kaldırabilir, böylece çok fazla alanın olmadığı dar alanlarda bile güç aktarımını güvenilir bir şekilde sürdürür. Bunu, cıvata gerektirmeyen bir yatak yapısına sahip yüksek mukavemetli 35CrMo çelikten yapıyoruz; ağır makinelere yönelik üniversal kaplinler ve endüstriyel uygulamalara yönelik teleskopik olmayan üniversal kaplinler için mükemmel. Çok fazla bakım gerektirmez ve sonsuza kadar dayanır; zorlu kurulumlarda tam olarak ihtiyacınız olan şey budur.
Çin'deki üretimimiz ISO 9001 standartlarına uygundur, bu nedenle SWC-WD üniversal kaplin zorlu koşullara dayanıklıdır. Çapraz şaft, korozyona karşı dayanıklılık sağlamak ve dayanıklılığını artırmak için krom kaplıdır. Sert, kaynaklı flanş tasarımı, özellikle eksenel hareketin oldukça az olduğu metalurji ve madencilik ekipmanlarında kurulumu kolaylaştırır. Boyutu ihtiyaçlarınıza uyacak şekilde özelleştirebiliriz, böylece bu dayanıklı kısa üniversal kaplin, vinç sistemleri ve diğer ağır işlerde özel üniversal kaplinler olarak harika çalışır. Ve fiyatı da rekabetçi. Raydafon'un hassas işçiliği, daha az arıza süresi ve daha güvenilir ekipman anlamına gelir; bu, dünya çapındaki endüstriyel operatörlerin güvenebileceği bir şeydir.
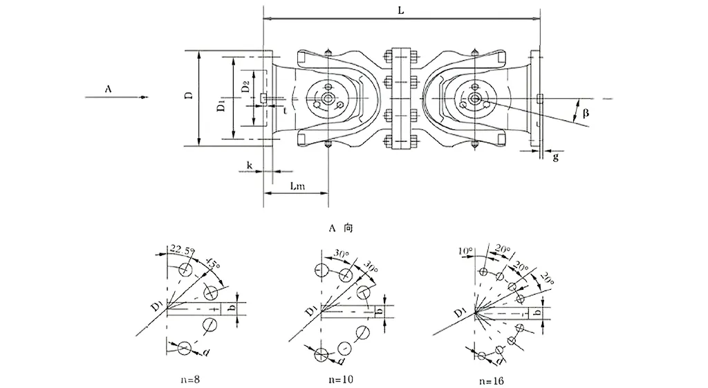
| HAYIR. | Dönme çapı D mm | Nominal tork Tn KN·m | Eksen katlama açısı β (°) | Yorucu tork TF KN·m | Boyut (mm) | Ağırlık (kg) | |||||||||
| L dk. | D1 (js11) | D2 (H7) | Lm | yok | k | t | b (h9) | g | L dk. | Arttırmak 100 mm | |||||
| SWC180WD | 180 | 12.5 | 6.3 | ≤25 | 440 | 155 | 105 | 110 | 8-17 | 17 | 5 | - | - | 0.145 | 52 |
| SWC225WD | 225 | 40 | 20 | ≤15 | 480 | 196 | 135 | 120 | 8-17 | 20 | 5 | 32 | 9.0 | 0.355 | 82 |
| SWC250WD | 250 | 63 | 31.5 | 560 | 218 | 150 | 140 | 8-19 | 25 | 6 | 40 | 12.5 | 0.831 | 127 | |
| Swc285wd | 285 | 90 | 45 | 640 | 245 | 170 | 160 | 8-21 | 27 | 7 | 40 | 15.0 | 1.715 | 189 | |
| SWC315WD | 315 | 125 | 63 | 720 | 280 | 185 | 180 | 10-23 | 32 | 8 | 40 | 15.0 | 2.820 | 270 | |
| SWC350WD | 350 | 180 | 90 | 776 | 310 | 210 | 194 | 10-23 | 35 | 8 | 50 | 16.0 | 4.791 | 370 | |
| SWC390WD | 390 | 250 | 125 | 860 | 345 | 235 | 215 | 10-25 | 40 | 8 | 70 | 18.0 | 8.229 | 524 | |
| Swc440wd | 440 | 355 | 180 | 1040 | 390 | 255 | 260 | 16-28 | 42 | 10 | 80 | 20.0 | 15.320 | 798 | |
| SWC490WD | 490 | 500 | 250 | 1080 | 435 | 275 | 270 | 16-31 | 47 | 12 | 90 | 22.5 | 25.740 | 1055 | |
| SWC550WD | 550 | 710 | 355 | 1220 | 492 | 320 | 305 | 16-31 | 50 | 12 | 100 | 22.5 | 46.780 | 1524 | |
| SWC620WD | 620 | 1000 | 500 | 1360 | 555 | 380 | 340 | 10-38 | 55 | 12 | 100 | 25.0 | 83.760 | 2120 | |
* 1. Tf-alternatif yük altında yorulma mukavemetine göre izin verilen tork.
Raydafon'un SWC üniversal mafsal kaplini (genellikle SWC kardan mili üniversal mafsal kaplini olarak adlandırılır) yalnızca bir parça değildir; haddehaneler, kaldırma ekipmanları ve her türlü zorlu ağır makine kurulumu gibi ağır sanayi alanlarında olmazsa olmazdır. Yüksek torklu bir üniversal mafsal kaplini olarak, mükemmel şekilde hizalanmayan iki transmisyon milini birbirine bağlayan sağlam bir iş çıkarır ve çalışma koşulları gerçekten zorlu olduğunda bile gücün sorunsuz bir şekilde iletilmesini sağlar.
Temel özelliklerinden bahsedelim: dönme çapı φ58 ila φ620 arasında değişir, nominal tork 0,15 ila 1000 kN·m arasındadır ve eksen katlanma açısı 25°'den fazla değildir.
Bu kaplin, belirli noktalarda en iyi şekilde çalışır; örneğin haddehane operasyonları için güvenilir, ağır hizmet tipi bir üniversal mafsallı kaplin veya kaldırma ve malzeme taşıma ekipmanlarında dayanıklı bir SWC üniversal mafsallı kaplin ihtiyacınız olduğunda. Bu durumlarda gücünü gösterir: Büyük stresler altında bile karışıklık veya arıza olmadan operasyonları istikrarlı tutar.
Raydafon'un SWC üniversal mafsal kaplini sadece bir araya getirilmemiştir; harika çalışacak ve endüstriyel kullanıma uzun süre dayanacak şekilde akıllı, güncel mühendislikle üretilmiştir. Yapısını öne çıkaran şeylerin üzerinden geçelim.
Öncelikle makul ve güvenli bir konfigürasyona sahiptir: Bu endüstriyel üniversal mafsal kaplini için cıvataların gevşemesi veya kırılması gibi riskleri azaltan entegre bir çatal başlığı tasarımı kullandık. Bu ayar tek başına onu genel olarak %30-%50 daha sağlam hale getirir, böylece güvenli ve tutarlı bir şekilde çalışır. Sıradan kaplinlerle karşılaştırıldığında çok daha uzun ömürlüdür ve zorlu işlerde gördüğünüz ağır makine üniversal mafsal kaplin sistemleri gibi yüksek gerilimli noktalarda sık karşılaşılan sorunları ortadan kaldırır.
Ayrıca gelişmiş yük taşıma kapasitesi de var: Bu SWC ağır hizmet üniversal mafsal kaplini, büyük ağırlıkları kaldırabilecek şekilde yapılmıştır; bu nedenle, madencilik ekipmanı veya inşaat makineleri gibi birinci sınıf yük taşıma gerektiren yerlerde mutlaka bulundurulmalıdır.
Aynı zamanda %98,6'ya varan yüksek iletim verimliliğine ulaşıyor. Büyük güç aktarımı için verimli bir üniversal mafsal kaplini olarak enerji kullanımını ve bununla birlikte gelen maliyetleri azaltır. Bu nedenle, yüksek güçlü endüstriyel iletim kurulumlarında enerji tasarrufu sağlayan evrensel mafsal kaplin çözümleri için en iyi seçimdir.
Ayrıca düşük gürültüyle sorunsuz çalışır: iletim sabit kalır ve gürültü genellikle 30-40 dB(A) arasındadır. Bu düşük gürültülü üniversal mafsal kaplini, gürültünün sorun olduğu endüstriyel noktalar için mükemmel olan, işlemleri sessiz tutar ve güvenilirliği yüksek seviyede tutar.
⭐⭐⭐⭐⭐ Zhang Wei, Baş Mühendis, Henan Mining Equipment Co., Ltd.
Raydafon'un SWC-WD Kısa Esnek Flanşsız Tip Üniversal Kaplinini madencilik makinelerimize taktık ve mükemmel bir uyum sağladı. Kompakt tasarımı, fazla yer kalmayan dar alanlar için tam da ihtiyacımız olan şeydir ve yapısı, operasyonları istikrarlı tutacak kadar sağlamdır. Ağır hizmet koşulları altında hiç durmadan çalıştığında bile bu kaplin bizi asla yarı yolda bırakmaz; hiçbir arıza yaşanmaz. Bakım ekibimiz, kontrole çok az ihtiyaç duymayı seviyor; bu da ekstra güçlük yaşamadan üretimin sorunsuz şekilde ilerlemesini sağlayabileceğimiz anlamına geliyor.
⭐⭐⭐⭐⭐ Michael Brown, Operasyon Müdürü, Texas Steel Works, ABD
Teksas atölyemiz Raydafon'dan SWC-WD Kısa Esnek Flanşlı Tip Üniversal Kaplin sipariş etti ve dürüst olmak gerekirse, kalitesi bizi şaşırttı. Kaplinler gerçekten iyi işlenmiştir, montajı çocuk oyuncağıdır ve yük altında bile güvenilir bir şekilde dayanırlar. Bana en çok ne takıldı? Fiyat ve performansı ne kadar iyi dengeliyor; o tatlı noktayı çoğu zaman bulamazsınız. Bu düzeyde kaliteyi sürekli olarak sunan bir tedarikçiyi bulmak kolay değil ancak Raydafon bizim için güvenilir bir ortak olduklarını kesinlikle kanıtladı.
⭐⭐⭐⭐⭐ Anna Müller, Bakım Sorumlusu, Berlin Endüstriyel Çözümler, Almanya
Raydafon'un SWC-WD Kısa Esnek Flanşsız Tip Üniversal Kaplinini Berlin ekipman serimize ekledik ve sonuçlar harika oldu. Ürünün kendisi kaya gibi sağlam bir his veriyor, kaynak işlemi hassas - burada kalitesiz bir çalışma yok - ve şu ana kadar gerçekten iyi dayandı ve birinci sınıf dayanıklılık gösterdi. Avrupa'da kullandığımız diğer bazı markalarla karşılaştırıldığında bu kaplin çok daha güvenilir ve fiyatı da çok daha rekabetçi. Diğer şirketler güvenilir evrensel kaplinler arıyorsa kesinlikle Raydafon'u öneririm.
Raydafon'un SWC-WD Kısa Esnek Flanşsız Tip Üniversal Kaplin - genellikle SWC kardan mili üniversal mafsal kaplini olarak adlandırılır - alanın sınırlı olduğu ve sabit uzunlukta bir tasarıma (teleskopik uzatma yok) ihtiyaç duyduğunuz dar endüstriyel noktalar için üretilmiştir. Yüksek torklu bir üniversal mafsal kaplini olarak, torku hizalanmamış miller arasında verimli bir şekilde hareket ettirir, 25 dereceye kadar açısal sapmaların üstesinden gelir ve ağır hizmet ortamlarında bile güvenilir kalır.
Temel özelliklerinden bahsedelim: Kompakt ve sağlam bir yapıya sahiptir; bu kısa, esnek olmayan flanş düzeni, onu haddehane operasyonları için güvenilir, ağır hizmet tipi bir üniversal mafsal kaplini haline getirir ve eksenel hareketin minimum olduğu kurulumlarda ekstra stabilite sağlar. Bu nedenle zorlu makinelerdeki sabit mesafeli bağlantılar için çok iyi çalışır. Ayrıca yüksek yük taşıma kapasitesi de var: Bunu yapmak için dökme demir veya alaşımlı çelik gibi sert malzemeler kullanıyoruz, bu nedenle kaldırma ve malzeme taşıma ekipmanlarında dayanıklı bir SWC üniversal mafsallı mil kaplini. Aynı çaptaki diğer kaplinlere göre daha büyük ağırlıkları tutar ve daha fazla tork iletir; bu da onu madencilik veya inşaat ekipmanlarındaki ağır yükler için mükemmel kılar.
Bu endüstriyel üniversal mafsal kaplin aynı zamanda yanlış hizalamayı da gerçekten iyi bir şekilde telafi eder; ister açısal, ister paralel, ister eksenel yanlış hizalama olsun, dönme hızı veya tork aktarımını bozmaz. Bu, ağır makine üniversal mafsal kaplin sistemlerinde sorunsuz çalışma anlamına gelir. Güç aktarımında da verimlidir: %98,6'ya kadar verimliliğe ulaşan bu SWC ağır hizmet üniversal mafsal kaplini, enerji kaybını düşük tutarak, onu yüksek güçlü endüstriyel kurulumlarda büyük güç iletimi için verimli bir üniversal mafsal kaplini haline getirir.
Ayrıca, enerji tasarrufu sağlayacak ve sessiz çalışacak şekilde tasarlanmıştır; enerji tasarrufu sağlayan üniversal mafsal kaplin çözümlerine ihtiyacınız varsa, bu, işletme maliyetlerini azaltan en iyi seçimdir. Ayrıca gürültüyü 30-40 dB(A) arasında tutar, dolayısıyla bu düşük gürültülü üniversal mafsallı kaplin, gürültünün sorun olduğu endüstriyel noktalara tam uyum sağlar.
Bu kaplin, haddehane operasyonları için güvenilir bir ağır hizmet üniversal mafsal kaplinine veya kaldırma ve malzeme taşıma ekipmanlarında dayanıklı bir SWC üniversal mafsal kaplinine ihtiyaç duyduğunuzda olduğu gibi belirli senaryolarda gerçekten parlıyor. Bu durumlarda, aşırı yüklerde ve sınırlı alanda bile, herhangi bir aksaklık yaşanmadan operasyonların stabil kalmasını sağlar.
Endüstriyel üniversal mafsal kaplin uygulamaları söz konusu olduğunda SWC-WD modelimiz, daha iyi performans göstermesini ve daha uzun süre dayanmasını sağlayan akıllı mühendislikle öne çıkıyor. Temel yapısından bahsedelim: Entegre çatal başlığı tasarımıyla makul, güvenli bir kuruluma sahiptir; bu, cıvataların gevşemesi veya kırılması gibi sorunları ortadan kaldırır ve genel gücü %30-%50 oranında artırır. Bu, güvenli ve güvenilir bir şekilde çalıştığı, eski tarz modellere göre daha uzun süre dayandığı ve ağır makine üniversal mafsal kaplin sistemleri gibi yüksek stresli yerlerde sık görülen arızaları önlediği anlamına gelir.
Ayrıca, çok daha fazla yükü kaldırabilir; daha ağır ağırlıkları destekleyecek şekilde ürettik, dolayısıyla bu SWC ağır hizmet üniversal mafsal kaplini, madencilik veya inşaat ekipmanı gibi zorlu yük taşıma gerektiren yerler için mükemmeldir. Aynı zamanda gücü süper verimli bir şekilde hareket ettirerek %98,6'ya varan iletim verimliliğine ulaşır. Büyük güç iletimi için verimli bir üniversal mafsal kaplini olarak, enerji kullanımını ve bununla birlikte gelen maliyetleri azaltır, bu da onu yüksek güçlü endüstriyel iletim kurulumlarında enerji tasarruflu üniversal mafsal kaplin çözümleri için en iyi seçim haline getirir.
Üstelik neredeyse hiç gürültü olmadan sorunsuz çalışır; iletim sabit kalır ve gürültü genellikle 30-40 dB(A) arasında kalır. Bu düşük gürültülü üniversal mafsal kaplini, güvenilirliği yüksek seviyede tutarken, gürültünün sorun olduğu endüstriyel noktalar için mükemmel olan, operasyonları sessiz tutar.
Raydafon, şanzıman parçalarında sadece bir isim değil; yüksek performanslı şanzıman bileşenleri ve endüstriyel makine çözümlerinin lider üreticisi ve tedarikçisiyiz ve SWC kardan mili üniversal mafsal kaplini gibi ürünlere de yoğun bir şekilde odaklanıyoruz. Küresel endüstrilerin geliştikçe ihtiyaç duyduğu şeylere ayak uydurmak için yola çıktık ve zamanla eksiksiz bir ürün yelpazesi oluşturduk: dişli kutuları, tahrik milleri, hidrolik silindirler, kasnaklar, hassas takım tezgahları; bunların tümü tarım ve ağır hizmet sektörlerinin performansını artırmak için üretildi. Biz yenilikçiliğe önem veriyoruz, bu nedenle haddehane operasyonları için en karmaşık sistemlere bile sorunsuz bir şekilde uyum sağlayan, güvenilir, ağır hizmet tipi üniversal mafsallı kaplin sunabiliyoruz.
Tesislerimiz de birinci sınıftır; CNC atölyelerimiz, taşlama ve ısıl işlem ekipmanlarımız ve gelişmiş 3D ölçüm sistemlerimiz vardır. ISO9001/TS16949 gibi sıkı kalite standartlarına bağlı kalıyoruz ve bu kurulum, torku mükemmel şekilde hareket ettiren ve yanlış hizalamayı bir profesyonel gibi halleden yüksek torklu üniversal mafsal kaplin çözümleri oluşturmamıza olanak tanıyor. Örneğin, kaldırma ve malzeme taşıma ekipmanlarındaki dayanıklı SWC üniversal mafsallı mil kaplinimizi ele alalım; bu kaplin, zorlu yük taşıma gücüne ihtiyaç duyan yerler için üretilmiştir. Peki endüstriyel üniversal mafsal bağlantı hattımız? Hassasiyet ve sağlamlığın en önemli olduğu her türlü kullanımı kapsar.
Ürettiklerimizin yüzde sekseni ihraç ediliyor; ABD, Almanya, Japonya, İtalya, Malezya, Avustralya ve Orta Doğu gibi yerlere gönderiliyor. Çin, Güney Kore, İngiltere, Singapur, ABD ve İspanya'da da güçlü ağlarımız var, dolayısıyla dünya çapında sağlamız. Bu erişim, aşırı yükler altında stabil kalmanın tartışmasız olduğu ağır makine üniversal mafsal kaplin sistemleri gibi, tam olarak müşterilerin ihtiyaçlarına göre uyarlanmış, özelleştirilmiş SWC ağır hizmet üniversal mafsal kaplin seçenekleri sunmamıza olanak tanır.
Sürdürülebilirliğe ve müşteriyi ön planda tutan çözümler üretmeye önem veriyoruz. Bu nedenle, %98,6'ya varan iletim verimliliğine ulaşan, yüksek güçlü kurulumlarda enerji kullanımını azaltan, enerji tasarruflu evrensel mafsal kaplin çözümleri geliştiriyoruz. İster büyük güç aktarımı için verimli bir üniversal mafsal kaplinine, ister gürültünün sorun olduğu endüstriyel noktalar için düşük gürültülü bir üniversal mafsal kaplinine ihtiyacınız olsun, ürünlerimiz tam satış sonrası servisle birlikte gelir. Bu sayede şanzıman sektöründe güvenilir bir ortak haline geldik; yalnızca parça satmıyoruz, aynı zamanda onları destekliyoruz.
Adres
Luotuo Sanayi Bölgesi, Zhenhai Bölgesi, Ningbo Şehri, Çin
tel
e-posta


+86-574-87168065


Luotuo Sanayi Bölgesi, Zhenhai Bölgesi, Ningbo Şehri, Çin
Telif Hakkı © Raydafon Teknoloji Grubu A.Ş., Sınırlı Tüm Hakları Saklıdır.
Links | Sitemap | RSS | XML | Gizlilik Politikası |
