QR kod
Ürünler
Bize Ulaşın


Faks
+86-574-87168065

e-posta

Adres
Luotuo Sanayi Bölgesi, Zhenhai Bölgesi, Ningbo Şehri, Çin
Raydafon'un SWC-WF Esnek Flanşsız Tip Üniversal Kaplini, ağır makinelerde (metalurji ekipmanlarını, vinçleri, madencilik sistemlerini ve sabit güce ihtiyaç duyan tüm zorlu kurulumları düşünün) yalnızca yüksek torklu iletim için yapılmıştır. Esnek olmayan bir flanş tasarımına, 160 mm'den 640 mm'ye kadar değişen dönme çaplarına sahiptir ve bu flanş tipi evrensel kaplin, süper zorlu koşullarda çalışırken bile büyük açısal yanlış hizalamaların yanı sıra sürekli dönüş hızlarında sorun yaşamaz. Bunu üretmek için yüksek mukavemetli 35CrMo çelik kullanıyoruz, bu nedenle yoğun yüklere mükemmel şekilde dayanır; ağır makinelere yönelik üniversal kaplinler ve endüstriyel uygulamalara yönelik esnek olmayan üniversal kaplinler için tam da bu nedenle en iyi seçimdir. Raydafon'un hassas üretimi, özellikle tutarlı tork dağıtımından ödün veremeyen endüstriler için her zaman sağlam performans sunmasını sağlar.
Bu SWC-WF üniversal kaplin, eksenel hareketin fazla olmadığı gemi inşa tahrikleri ve haddehaneler gibi sistemlerde kurulumu kolaylaştıran sert flanş bağlantısıyla uzun süre dayanacak şekilde üretilmiştir. ISO 9001 standartlarını sıkı bir şekilde takip ediyoruz ve Çin merkezli fabrikamız, bu dayanıklı flanşlı evrensel kaplini yapmak için gelişmiş işleme ve sıkı kalite kontrolleri kullanıyor. 1250 kN·m'ye kadar tork değerlerine sahip özelleştirilebilir boyutlarda mevcuttur, böylece metalurji ekipmanı ve diğer ağır hizmet kurulumları için özel evrensel kaplinlere tam olarak uyar. Raydafon ayrıca rekabetçi fiyatlarla özel çözümler sunarak arıza sürelerinin azaltılmasına ve ekipmanınızın güvenilirliğinin artırılmasına yardımcı olur.
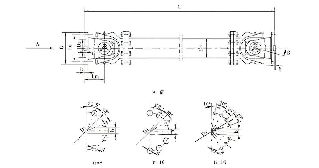
| HAYIR. | Dönme çapı D mm | Nominal tork Tn KN·m | Eksen katlama açısı β (°) | Yorucu tork TF KN·m | Boyut (mm) | Dönen atalet kg.m2 | Ağırlık (kg) | |||||||||||
| L dk. | D1 (js11) | D2 (H7) | D3 | Lm | yok | k | t | b (h9) | g | L dk. | Arttırmak 100 mm | L dk. | Arttırmak 100 mm | |||||
| SWC285WF | 285 | 90 | 45 | ≤15 | 810 | 245 | 170 | 194 | 160 | 8-21 | 27 | 7 | 40 | 15 | 2.664 | 0.051 | 220 | 6.3 |
| SWC315WF | 315 | 125 | 63 | 915 | 280 | 185 | 219 | 180 | 10-23 | 32 | 8 | 40 | 15 | 4.469 | 0.0795 | 300 | 8.0 | |
| SWC350WF | 350 | 180 | 90 | 980 | 310 | 210 | 267 | 194 | 10-23 | 35 | 8 | 50 | 16 | 7.388 | 0.2219 | 412 | 15.0 | |
| SWC390WF | 390 | 250 | 125 | 1100 | 345 | 235 | 267 | 215 | 10-25 | 40 | 8 | 70 | 18 | 13.184 | 0.2219 | 588 | 15.0 | |
| SWC440WF | 440 | 355 | 180 | 1290 | 390 | 255 | 325 | 260 | 16-28 | 42 | 10 | 80 | 20 | 23.250 | 0.4744 | 880 | 21.7 | |
| SWC490WF | 490 | 500 | 250 | 1360 | 435 | 275 | 325 | 270 | 16-31 | 47 | 12 | 90 | 22.5 | 40.750 | 0.4744 | 1173 | 21.7 | |
| SWC550WF | 550 | 710 | 355 | 1510 | 492 | 320 | 426 | 305 | 16-31 | 50 | 12 | 100 | 22.5 | 68.480 | 1.3570 | 1663 | 34.0 | |
| SWC620WF | 620 | 1000 | 500 | 1690 | 555 | 380 | 426 | 340 | 10-38 | 55 | 12 | 100 | 25 | 127.530 | 1.3570 | 2332 | 34.0 | |
* 1. Tf-alternatif yük altında yorulma mukavemetine göre izin verilen tork.
* 2. İhtiyaca göre L-kurulum uzunluğu.
Raydafon'un esnek flanş tipi üniversal mafsal kaplini olmayan SWC-WF (aynı zamanda SWC kardan mili üniversal mafsal kaplini olarak da bilinir) temel bir mekanik fikir üzerinde çalışır: eşdoğrusal olmayan iki şafttan torku gitmesi gereken yere alır ve aynı zamanda yanlış hizalamayı da halleder. Bu yüksek torklu üniversal mafsallı kaplin, flanşları her iki uçta birbirine bağlamak için bir çapraz yatak düzeni kullanır; böylece miller 25 dereceye kadar kaymış olsa veya eksenel/radyal sapmalara sahip olsa bile dönme gücünü sorunsuz bir şekilde hareket ettirir.
Çalışma şeklinin temeli, üniversal mafsal tasarımıdır; her bir flanşın kendi başına hareket etmesine izin veren, pivot görevi gören bir çapraz şaft vardır. Bu şekilde tork, tahrik milinden tahrik edilen mile verimli bir şekilde gider ve bağlı olduğu parçalara çok fazla baskı uygulamadan açısal yanlış hizalamaları telafi eder. Haddehane operasyonları için güvenilir bir ağır hizmet üniversal mafsal kaplinine ihtiyacınız varsa, bu kaplinin sağlam, esnek olmayan flanş yapısı işleri sabit tutar; bu da kompakt ağır makine kurulumlarındaki kısa mesafeli bağlantılar için mükemmeldir.
İşlevini öne çıkaran şey, esnek parçalara veya genişletme özelliklerine sahip olmamasıdır; bu, onu diğer türlerden ayırır ve eksenel hareketin minimum olduğu yerler için mükemmel kılar. Kaldırma ve malzeme taşıma ekipmanlarında kullandığımız dayanıklı SWC üniversal mafsal kaplini, büyük yükler altında bile dengede kalabilmek için bu prensibe dayanır; %98,6'ya varan iletim verimliliğine ulaşıyor ve fazla enerji israfına neden olmuyor. Bu endüstriyel üniversal mafsallı kaplin aynı zamanda hassas yatak hareketi sayesinde titreşimleri de azaltır, böylece yüksek stresli durumlarda bile sorunsuz çalışır; tıpkı zorlu endüstriyel işlerde göreceğiniz ağır makine üniversal mafsallı kaplin sistemleri gibi.
Ayrıca, Raydafon'un SWC ağır hizmet üniversal mafsal kaplini, onu daha sağlam hale getirmek için kaynaklı flanşlara sahiptir; artık cıvataların gevşemesi konusunda endişelenmenize gerek yoktur ve genel gücü %30 ila %50 oranında artırır. Büyük güç aktarımı için verimli bir üniversal mafsallı kaplin olarak, 0,15 ila 1000 kN·m arası nominal torkları işler ve φ58 ila φ620 arası dönme çaplarına sahiptir; bu da onu zorlu endüstriyel şanzımanlarda enerji tasarruflu üniversal mafsallı kaplin çözümleri için en iyi seçim haline getirir. Gürültünün 30-40 dB(A) arasında tutulmasıyla, bu düşük gürültülü üniversal mafsal kaplini sessiz çalışır; bu, gürültünün sorun olduğu endüstriyel noktalar için idealdir ve aynı zamanda yüksek güvenilirlik standartlarını korur.
Raydafon'un SWC üniversal mafsal kaplini (genellikle SWC kardan mili üniversal mafsal kaplini olarak adlandırılır) yalnızca normal bir parça değildir; haddehaneler, kaldırma makineleri ve her türlü zorlu ağır makine sistemleri gibi ağır hizmet tipi endüstriyel kurulumlar için bir zorunluluktur. Yüksek torklu bir üniversal mafsal kaplini olarak, mükemmel şekilde hizalanmayan iki transmisyon milini birbirine bağlayan sağlam bir iş çıkarır ve çalışma koşulları zorlaştığında bile gücün akmaya devam etmesini sağlar.
Temel özelliklerinden bahsedelim: dönme çapı φ58 ila φ620 arasında değişir, nominal tork 0,15 ila 1000 kN·m arasındadır ve eksen katlama açısı 25°'den fazla değildir.
Bu ürün, haddehane operasyonları için güvenilir bir ağır hizmet üniversal mafsal kaplinine veya kaldırma ve malzeme taşıma ekipmanlarında dayanıklı bir SWC üniversal mafsal kaplinine ihtiyaç duyduğunuz durumlar gibi belirli senaryolarda gerçekten parlıyor. Bu durumlarda, ağır yüklerle uğraşırken bile operasyonları istikrarlı tutarak değerini kanıtlıyor.
Raydafon'un SWC üniversal mafsal kaplini yalnızca işlev için üretilmemiştir; endüstriyel kullanıma dayanacak ve uzun vadede iyi performans göstermeye devam edecek akıllı tasarımla tasarlanmıştır. Yapısını öne çıkaran şeyleri parçalayalım.
Öncelikle makul ve güvenli bir konfigürasyona sahiptir: Bu endüstriyel üniversal mafsal kaplini için cıvataların gevşemesi veya kırılması gibi riskleri azaltan entegre bir çatal başlığı tasarımı kullandık. Tek başına bu bile yapısal bütünlüğünü %30 ila %50 oranında artırır, böylece güvenli ve güvenilir bir şekilde çalışır. Sıradan kaplinlerle karşılaştırıldığında daha uzun ömürlüdür ve zorlu işlerde gördüğünüz ağır makine üniversal mafsal kaplin sistemleri gibi yüksek stresli noktalarda yaygın arızaları önler.
Ayrıca gelişmiş yük taşıma kapasitesi de var: Bu SWC ağır hizmet üniversal mafsal kaplini, büyük ağırlıkları kaldırabilecek şekilde yapılmıştır; bu nedenle, madencilik veya inşaat makineleri gibi birinci sınıf yük yönetimine ihtiyaç duyulan yerlerde mutlaka bulundurulmalıdır.
Aynı zamanda %98,6'ya varan yüksek iletim verimliliği de sağlar. Büyük güç aktarımı için verimli bir üniversal mafsal kaplini olarak enerji kullanımını ve beraberinde gelen maliyetleri azaltır. Bu nedenle yüksek güçlü endüstriyel iletim kurulumlarında enerji tasarrufu sağlayan üniversal mafsal kaplin çözümleri için en iyi seçimdir.
Düşük gürültüyle sorunsuz çalışır: İletimi sabit tutar ve gürültü genellikle 30-40 dB(A) arasında kalır. Bu düşük gürültülü üniversal mafsal kaplini, operasyonların sessiz kalmasını sağlar; bu, gürültünün sorun olduğu yerler için mükemmeldir ve aynı zamanda güvenilirliği yüksek seviyede tutar.
⭐⭐⭐⭐⭐ Chen Liang, Üretim Mühendisi, Zhejiang Machinery Co., Ltd.
Raydafon'un SWC-WF Esnek Flanşsız Tip Üniversal Kaplinini üretim hatlarımızdan birine yerleştirdik ve şu ana kadar harika çalışıyor. Yapı basit ama sağlam; kurulumu çok kolaydı, karmaşık adımlar yoktu. Bir kez kurulduktan sonra sorunsuz çalışır, ekstra ince ayarlara gerek yoktur. Yük ağır olduğunda bile bu kaplin güvenilir kalır, bu da makineleri çok fazla endişelenmeden uzun saatler boyunca çalışır durumda tutabileceğimiz anlamına gelir; kesinlikle bize daha fazla gönül rahatlığı sağlar.
⭐⭐⭐⭐⭐ Sun Mei, Satın Alma Sorumlusu, Hebei Steel Co., Ltd.
Şirketimiz Raydafon'dan birkaç adet SWC-WF Esnek Flanşsız Tip Üniversal Kaplin satın aldı ve öncelikle teslimat tam zamanında yapıldı ve paketleme de dikkatliydi; hiçbir hasar yoktu. Benim için asıl dikkat çeken şey atölye ekibinin söyledikleriydi: bana kaplinlerin kurulumunun kolay olduğunu ve kullanıldığında gerçekten sağlam olduklarını söylediler. Ayrıca diğer tedarikçilerle karşılaştırıldığında buradaki fiyat makul. Sonuç olarak, bu satın alma işleminden gerçekten memnunuz.
⭐⭐⭐⭐⭐ Guo Jun, Bakım Müdürü, Liaoning Ağır Sanayi Grubu
Benim işim makinelerimizi çalışır durumda tutmak ve elimden geldiğince arıza sürelerini kısaltmaya çalışıyorum. Raydafon'un SWC-WF Esnek Flanşsız Tip Üniversal Kaplinini kullanmaya başladığımızdan beri, büyük bir fark fark ettim; parçada daha az aşınma ve çalışma sırasında çok daha az sorun. Tasarımı sağlamdır ve çok fazla bakım gerektirmez. Bu bize hem zaman hem de para tasarrufu sağlıyor ve ekipmanımız için son derece güvenilir bir parça olduğu ortaya çıktı.
Raydafon, EVER-POWER Group Co., Ltd.'nin önemli bir yan kuruluşudur; biz sadece bir tedarikçi değil, aynı zamanda en kaliteli şanzıman bileşenleri ve endüstriyel çözümler için başvurulan bir sağlayıcıyız ve SWC kardan mili üniversal mafsal kaplini gibi yenilikçi ürünlere çok odaklanıyoruz. Başladığımızdan beri teknolojiyi ilerletmek ve küresel pazarlarda büyümek peşindeyiz; tek bileşenleri satmakla yetinmedik; artık tarımsal ve ağır sanayi ihtiyaçlarına mükemmel şekilde uyan tam sistem çözümleri üretiyoruz. Tahrik milleri ve şanzıman ürünleri konusundaki bilgi birikimimiz, haddehane operasyonları (ve diğer zorlu işler) için güvenilir, ağır hizmet tipi üniversal mafsal kaplinine ihtiyaç duyan müşterilerimizin sağlam bir ortak olarak bize güvenebileceği anlamına gelir.
Raydafon'da geniş bir ürün yelpazesi üretiyoruz: dişli kutuları, tahrik milleri, hidrolik silindirler, kasnaklar ve hatta CNC torna tezgahları ve freze makineleri gibi gelişmiş takım tezgahları. Yüksek torklu üniversal mafsallı kaplin çözümlerimiz (örneğin SWC serisi), kaldırma ve malzeme taşıma ekipmanlarında dayanıklı SWC üniversal mafsallı şaft kaplinine ihtiyaç duyan endüstrilerin katı taleplerini karşılamak üzere üretilmiştir. Ayrıca gelişmiş tesislerimiz de var: CNC atölyeleri, taşlama ve ısıl işlem makineleri, 3D ölçüm araçları; bunların hepsi ISO9001/TS16949 standartlarına uygundur, dolayısıyla ürettiğimiz her endüstriyel üniversal mafsal kaplini en üst kalitede ve hassastır.
Ürünlerimizin %80'ini yurt dışında ABD, Almanya, Japonya, İtalya, Malezya, Avustralya, Orta Doğu gibi pazarlara satıyoruz. Ve Çin, Güney Kore, İngiltere, Singapur, ABD ve İspanya gibi yerlerde bunu destekleyecek güçlü bir ağımız var. Bu küresel erişim, büyük yükleri kaldırması ve uzun süre dayanması gereken ağır makine üniversal kaplin sistemleri için tasarlanmış SWC ağır hizmet üniversal mafsal kaplini gibi özelleştirilmiş çözümler oluşturmamıza olanak tanır.
Yenilik ve müşterileri mutlu etmek önceliklerimizdir. Yüksek güçlü kurulumlar için işletme maliyetlerini azaltan, %98,6'ya varan iletim verimliliğine ulaşan, enerji tasarrufu sağlayan evrensel mafsal kaplin çözümleri sunuyoruz. İster büyük güç aktarımı için verimli bir üniversal mafsal kaplinine, ister gürültünün önemli olduğu yerler için düşük gürültülü bir üniversal mafsal kaplinine ihtiyacınız olsun, ürünlerimiz profesyonel satış sonrası servisle birlikte gelir ve biz işleri doğru yapmaya kendimizi adadık. Bu nedenle Raydafon tüm iletim ihtiyaçlarınız için en iyi seçimdir.
Adres
Luotuo Sanayi Bölgesi, Zhenhai Bölgesi, Ningbo Şehri, Çin
tel
e-posta


+86-574-87168065


Luotuo Sanayi Bölgesi, Zhenhai Bölgesi, Ningbo Şehri, Çin
Telif Hakkı © Raydafon Teknoloji Grubu A.Ş., Sınırlı Tüm Hakları Saklıdır.
Links | Sitemap | RSS | XML | Gizlilik Politikası |
